| Cursus: Instructie Metaalbewerking Machinaal | |
|---|---|
| Naam | Instructie Metaalbewerking Machinaal |
| Locatie | Vrijland |
| Ruimte | Metaalkamer |
| Datum | juni 29, 2018 19:00:00 |
| Contact | JanBee |
| Info | Instructie Metaalbewerking |
| Voorzitter | JanBee |
Nu we een metaalkamer met o.m. een draaibank en een coördinaten boor-freesmachine hebben wordt het tijd om wat demonstratie / instructie enzo te geven voor deelnemers die ook eens een loer willen draaien of met grote vreze willen frezen.
Ik heb bedacht dat dat het beste kan als ik (of iemand anders) dingen gaat maken met die machines en dat vooraf aankondig zodat geïnteresseerden kunnen komen meekijken en evt. hands-on kunnen meedoen.
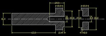
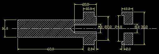
Voor vrijdag 29 juni heb ik het volgende in petto: Ik ga uit aluminium rondstaf van 30 mm diam een doorn en een aandrukring maken om een zaagblad te kunnen inspannen op de freesbank. Zie tekening. Het zaagblad heeft een diameter van 100 mm, een gat van 22 mm en is 2 mm dik. De doorn krijgt een steel van 16mm diameter en 60mm lengte, zodat die goed in een ER25 spantang past. De (zeer) critische maten zijn de borst van 22 waarop het zaagblad zonder speling moet passen, de centriciteit van die borst, en de haaksheid van het aanlegvlak van het zaagblad t.o.v. de as van de doorn. Dat is nodig omdat het zaagblad anders wiebelt of slingert. De overige maten zijn niet critisch. Ik zal aangeven in welke volgorde je de bewerkingen kunt doen om de critische maten te kunnen realiseren in 1 opspanning.
Daarna ga ik met die zaag op de freesbank een stuk PVC rioolpijp recht afzagen met gebruikmaking van de verdeeltafel. De kunst daarbij is om het werkstuk stabiel op te spannen.
Derde is het weghalen van een rand in een PVC rioolpijp-hulpstuk. Dat ga ik ook op de freesbank doen met een kotterbeitel. Critisch is daarbij het centreren van het werkstuk met een puppy- of zwenktaster.
Er is ruimte voor maximaal ca. 5 personen.
Wie
- Jij?
ObiToo ObiToo
Wie?:
Projecten: Rioolpijp-super-LEDstrip-lamp
Madskills:
Klik voor meer info...
MacSimski MacSimski
Wie?: deelnemer
Projecten: Zwembad, Cafe Meijers Expo, BreadBoxje, 3D Printing for Glorious Home Inprovement, Industrial Rotary Ribbon Re-Inker, PaperTowel Dispenser, Raspberry Pi projecten, Mechanische T37 Telex, Legosafe, MuseumDatabase
Madskills:
Klik voor meer info...
Rho Rho
Wie?: Deelnemer
Projecten: Zonnebloem
Madskills:
Klik voor meer info... (<- ik haal het nie')
