| Project: LabSafety | |
|---|---|
| Naam | LabSafety |
| Door | Stoneshop |
| Status | Afgerond |
| Madskillz | Solderen |
| Doel / Omschrijving | |
| Uitschakelen van apparatuur als de space gesloten is | |
| Alle Projecten - Project Toevoegen | |
Beschrijving
Van sommige apparaten, zoals soldeerbouten en lijmpistolen, is het ongewenst dat ze aan blijven staan als de space gesloten is. Hiervoor is een koppeling met de Space Logic bedacht, in de vorm van een geschakelde 24V lijn.
Versie 1
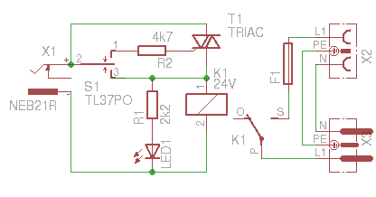
De beveiliging bestaat uit een omgebouwde afstandbediende netschakelaar van het merk Elro (andere merken en modellen zijn mogelijk ook bruikbaar). De aanwezige elektronica wordt verwijderd, met uitzondering van het relais, de LED en de daarbij behorende voorschakelweerstand. In de behuizing worden een MOM-OFF-MOM toggle switch en een 5.5/2.1 voedingsentree gemonteerd.
Het relais wordt via een thyristor of triac verbonden met de voedingsentree. Als er voeding geleverd wordt kan de schakelaar de thyristor/triac triggeren (relais trekt aan) of kortsluiten (relais valt af). Bij uitschakeling van de voeding valt het relais af.
Versie 2
Deze is gebaseerd op de afstandbediende netschakelaar van Quigg. Deze heeft de LED in serie met het relais, en twee drukknoppen geintegreerd in de behuizing. De knoppen zijn niet direct bruikbaar als vervanging van de schakelaar in het schema van versie 1; het zijn printcontact knoppen met een maak-weerstand van ~ 5kOhm. Ook is de stroom door het relais lager dan de houdstroom van de gebruikte triac. Voor beide problemen is een oplossing bedacht die nog getest moet worden.
Versie 3
Ingebouwd in de 8-voudige stekkerblokken die per tafel in het Flexlab zijn geplaatst. De schakeling is identiek aan versie 1, met alleen een dubbelpolig relais i.p.v. een enkelpolig (http://www.reichelt.de/Miniaturrelais/HF92F-024D-2A/3/index.html?ACTION=3&GROUPID=3292&ARTICLE=126988&SEARCH=HF92F-024D-2A&OFFSET=16&WKID=0&)



